AG庄闲

产品搜索

封装品种
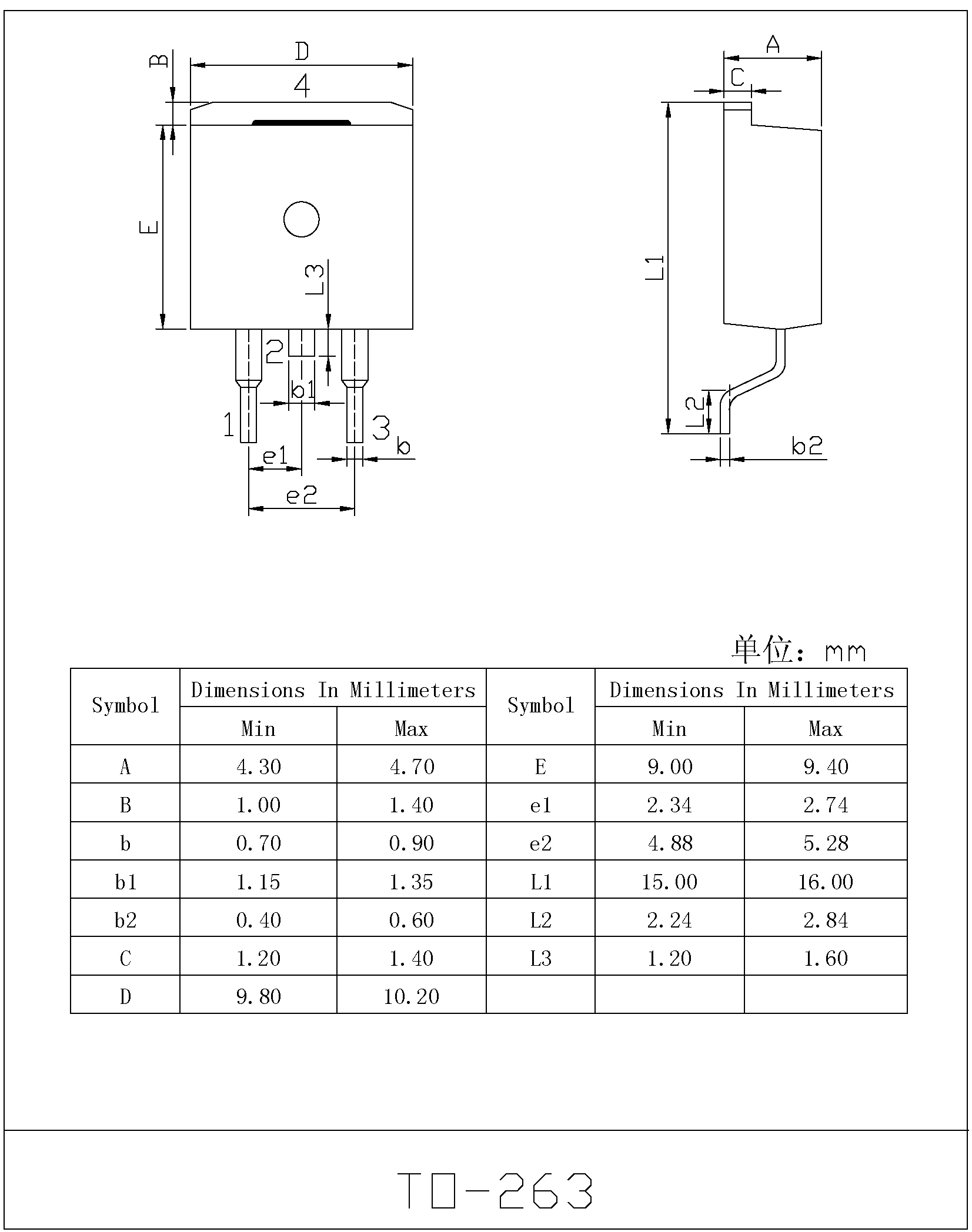
TO-263 详细介绍
【网站地图】【sitemap】