AG庄闲

产品搜索

封装品种
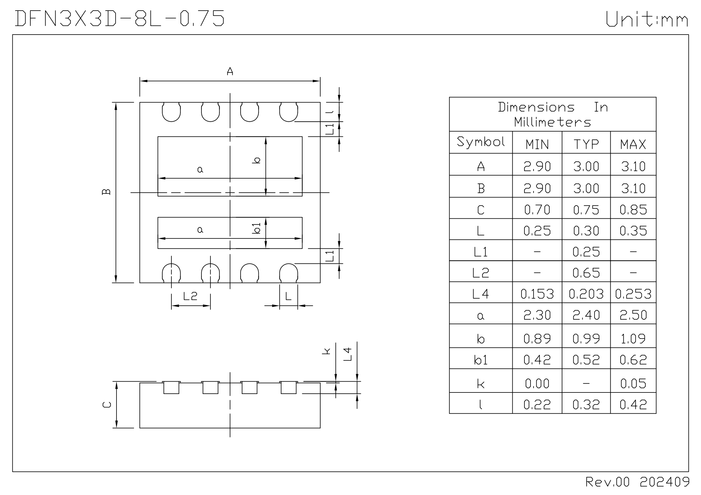
DFN3×3D-8L 详细介绍


【网站地图】【sitemap】