AG庄闲

  • 产品搜索

    封装品种
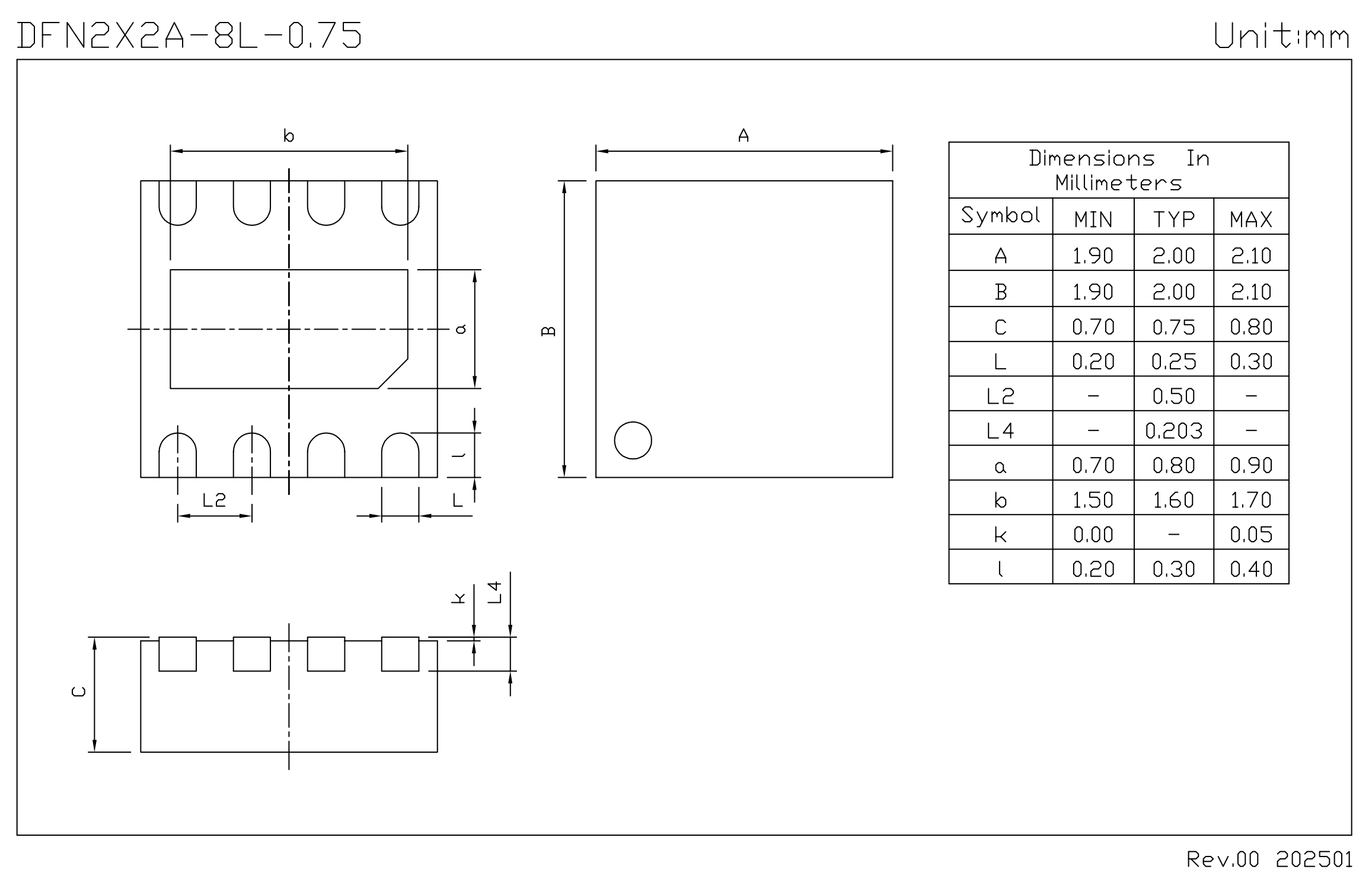
    DFN2×2A-8L-0.75 详细介绍
    【网站地图】【sitemap】